Klucz do uchwytu tokarskiego 4-kątny 6mm do-zewnętrzne gniazdo czworokątne 42002-Z

Dostępność: duża ilość
Wysyłka w: 5 dni
Dostawa: Cena nie zawiera ewentualnych kosztów płatności sprawdź formy dostawy
Cena: 64,80 zł

Cena regularna:

64.80
ilość szt.

towar niedostępny

dodaj do przechowalni
Ocena: 0
Producent: AMF
Kod produktu: 42002-Z

Opis

Klucz 4-kątny 6mm (do - zewnętrzne gniazdo czworokątne) - do uchwytów tokarskich

numer katalogowy 42002

- niemieckiego producenta firmy AMF

Firma AMF specjalizuje się w produkcji kluczy hakowych, montażowych, zacisków itp.

Klucz wtykowy 6mm, czworokatny AMF

Klucz wtykowy czworokątny.

Wykonanie: ze stali specjalnej, trzpień i pokrętło hartowane i odpuszczane przy oksydowaniu. Wprasowana przetyczka.

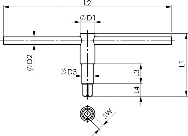
Dane techniczne:

  • rozmiar SW: 6mm
  • długość L1: 80mm
  • długość L2: 160mm
  • głębokość L4: 12mm
  • średnica D1: 12mm
  • średnica D2: 6mm
  • ciężar: 80g
  • ze stali specjalnej
  • trzpień i przetyczka do obracania hartowane

Firma AMF od założenia w 1890 roku aż do dziś cel pozostaje ten sam: najwyższa jakość produktów i usług. Niemniej jednak okoliczności, zadania i wyzwania oczywiście się zmieniły. Koncentrując się na naszych głównych obszarach specjalizacji, od dawna wyznacza nowe standardy w zakresie innowacyjnej technologii mocowania – napędzana własnym rozwojem, największą możliwą elastycznością i pasją do indywidualnych rozwiązań. 

EAN 4020772042004   Klucz 4-kątny 6mm do zewnętrzne gniazdo czworokątne do uchwytów tokarskich  42002 Amf

Koszty dostawy Cena nie zawiera ewentualnych kosztów płatności

Kraj wysyłki:

Opinie o produkcie (0)

do góry
Sklep jest w trybie podglądu
Pokaż pełną wersję strony
Sklep internetowy Shoper.pl