Klucz 4-kątny 17mm 42093 (do-zewnętrzne gniazdo czworokątne), do uchwytów tokarskich

Dostępność: duża ilość
Wysyłka w: 3 dni
Dostawa: Cena nie zawiera ewentualnych kosztów płatności sprawdź formy dostawy
Cena: 250,60 zł

Cena regularna:

250.60
ilość szt.

towar niedostępny

dodaj do przechowalni
Ocena: 0
Producent: AMF
Kod produktu: 42093

Opis

Klucz 4-kątny 17mm (do - zewnętrzne gniazdo czworokątne) - do uchwytów tokarskich

(numer katalogowy 42093)

- niemieckiego producenta firmy AMF

Firma AMF specjalizuje się w produkcji kluczy hakowych, montażowych, zacisków itp.

Klucz wtykowy czworokątny

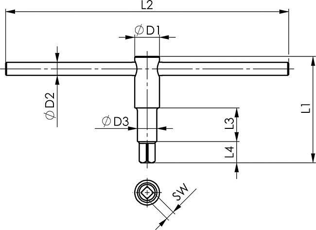
Dane techniczne:

  • rozmiar SW: 17mm
  • długość L1: 160mm
  • długość L2: 400mm
  • głębokość L4: 28mm
  • średnica D1: 34mm
  • średnica D2: 16mm
  • ciężar: 1500g
  • ze stali specjalnej
  • trzpień i przetyczka do obracania hartowane

Firma AMF od założenia w 1890 roku aż do dziś cel pozostaje ten sam: najwyższa jakość produktów i usług. Niemniej jednak okoliczności, zadania i wyzwania oczywiście się zmieniły. Koncentrując się na naszych głównych obszarach specjalizacji, od dawna wyznacza nowe standardy w zakresie innowacyjnej technologii mocowania – napędzana własnym rozwojem, największą możliwą elastycznością i pasją do indywidualnych rozwiązań.

EAN 4020772042097  Klucz 4-kątny 17mm do zewnętrzne gniazdo czworokątne do uchwytów tokarskich  4216007221  42093 AMF

Koszty dostawy Cena nie zawiera ewentualnych kosztów płatności

Kraj wysyłki:

Opinie o produkcie (0)

do góry
Sklep jest w trybie podglądu
Pokaż pełną wersję strony
Sklep internetowy Shoper.pl